Новости и акции компании
3 — фазные синхронные генераторы
| Тип Type | Мощность Output | Ток Current A | Cos j | КПД Efficiency % | Момент инерции Moment of inercia kg x m2 | Масса Mass кg | |
| kVA | kW | ||||||
| SJ200M4 | 50 | 40 | 72.2 | 0.8 | 88.7 | 0.6 | 310 |
| SJ200L4 | 63 | 50.4 | 91 | 89.0 | 0.7 | 325 | |
| SJ225SА4 | 63 | 50.4 | 91 | 0.8 | 89.3 | 0.8 | 400 |
| SJ225S4 | 75 | 60 | 108 | 90.8 | 1.15 | 460 | |
| SJ225M4 | 90 | 72 | 130 | 91.2 | 1.3 | 485 | |
| SJ225L4 | 110 | 88 | 159 | 91.6 | 1.4 | 515 | |
| SJ250S4 | 132 | 105.6 | 191 | 0.8 | 92.4 | 2.4 | 655 |
| SJ250M4 | 160 | 128 | 231 | 92.4 | 2.6 | 685 | |
| SJ250L4 | 200 | 160 | 289 | 93.1 | 2.73 | 710 | |
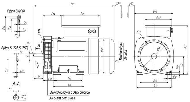
Габаритный чертёж IM 2101 (IM B34)

Размеры в мм
| Тип Type | l 30 | h 31 | b 12 | l 1 | l 10 | l 11 | l 20 | l 31 | l 22 | l 34 | l 35 | b 1 | b 10 | b 11 | b 35 |
| SJ200 | 903 | 524 | 455 | 105-0.3 | 305 | 345 | 4+0.5 | 133 | 4 | 211 | 427 | 18 | 318 | 388 | 307 |
| SJ225 | 1022 | 604 | 455 | 105-0.3 | 356 | 400 | 6+0.36 | 149 | 6 | 245 | 427 | 18 | 406 | 466 | 307 |
| SJ250 | 1100 | 659 | 455 | 105-0.3 | 406 | 458 | 6+0.36 | 169 | 6 | 279 | 427 | 20 | 457 | 516 | 307 |
| Тип Type | d 1 d | d 6 d 6 | d 10 s | d 20 e 1 | d 22 s 1 | d 24 a 1 | d 25 b 1 | d 30 g | h h | h 5 t | h 10 c |
| SJ200 | 60 m6 | M 20-7H | 19 | 345 | M10 x 6 | 370 | 320H7 | 385 | 200-0.5 | 64 | 24 |
| SJ225 | 65 m6 | M 20-7H | 19 | 381 | M10 x 12 | - | 361.95h7 | 385 | 225-0.5 | 68 | 25 |
| SJ250 | 75 m6 | M 20-7H | 24 | 428.62 | M10 x 12 | - | 409.58 h7 | 385 | 250-0.5 | 79.5 | 28 |
Купить 3- фазные синхронные генераторы в регионе Ярославль.