Двигатели асинхронные взрывозащищенные трехфазные с короткозамкнутым ротором рудничные АИУБ200.
Предназначены для работы в подземных выработках, где могут образовываться взрывоопасные смеси. Область применения двигателей в подземных выработках угольных шахт, опасных по газу (метану) и угольной пыли в соответствии с требованиями “Правил безопасности в угольных шахтах” (ПБ 05-618-03) и в подземных выработках рудников, опасных по газу (метану) в соответствии с требованиями “Единых правил безопасности при разработке рудных, нерудных и россыпных месторождений полезных ископаемых подземным способом (ПБ 03-553-03).
Маркировка взрывозащиты – РВ 3В.
Вид климатического исполнения – У2,5; УХЛ2,5; Т2,5.
Конструктивное исполнение по способу монтажа – IM 1001, IМ 1009, IМ 4001, IМ 4009.
Степень защиты от внешних воздействий – IP 54.
Двигатели предназначены для работы от сети переменного тока напряжением 380 В или 660 В (двухскоростные) и 380/660 В (односкоростные) при частоте питающей сети 50 Гц.
Таблица 1
| Типоразмер двигателя | 2р | Мощность, кВтНоминальная | Частота вращения, об/мин | КПД, % |
Коэффициент мощности | Номинальное напряжение, В |
Номинальный режим работы | |||
|
АИУБ200М8 |
8 | 22 | 750 | 85 | 0,77 | 380/660 |
1 час, 60%, 60 вкл./ч |
5,6 | 3,0 | 3,2 |
| 11 | 85 | 0,55 |
S4-60%, 60 вкл./ч |
9,0 | 6,3 | 6,5 | ||||
|
АИУБ200М4/8 |
4 | 22 | 1500 | 82 | 0,92 | 380 |
1 час, 40%, 100 вкл./ч |
6,5 | 2,1 | 2,5 |
| 660 | ||||||||||
| 8 | 11 | 750 | 83 | 0,65 | 380 |
1 час, 40%, 400 вкл./ч |
6,0 | 3,2 | 3,2 | |
| 660 |
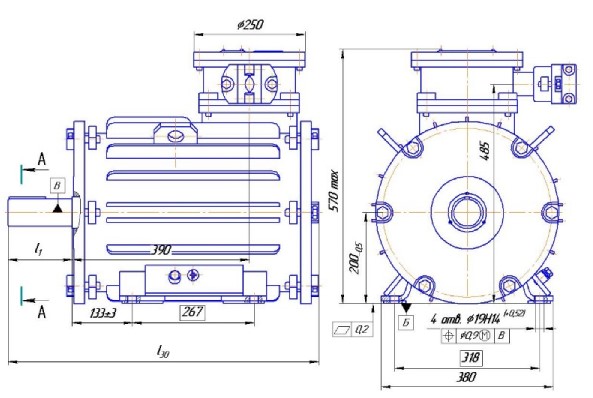
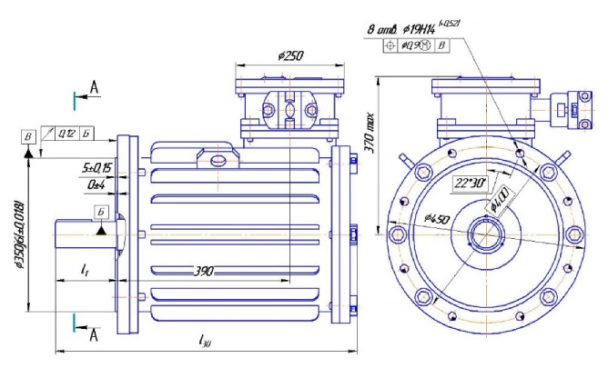
Габаритные, установочно-присоединительные размеры и масса двигателей АИУБ200
Конструктивное исполнение по способу монтажа IМ 1001, IМ 1009:


Монтажное исполнение IМ 4001, IМ 4009:

Таблица 2
Размеры указаны для конструктивных исполнений по способу монтажа IМ 1001, IМ 1009, IМ 4001, IМ 4009.
|
Типоразмер двигателя |
Рисунок |
l1, мм |
l30max, мм |
Масса, кг |
|
|
Монтажное исполнение |
IМ 1001, IМ 1009 |
IМ 4001, IМ 4009 |
|||
|
АИУБ200М8 АИУБ200М4/8 |
1 IМ 1001, IМ 4001 |
1400,8 |
690 |
325 |
345 |
|
2 IМ 1009, IМ 4009 |
820,7 |
632 |
|||
Купить АИУБ200 в регионе Ярославль.