Двигатели асинхронные взрывозащищенные трехфазные с короткозамкнутым ротором рудничные АИУБ225.
Предназначены для работы в подземных выработках, где могут образовываться взрывоопасные смеси. Область применения двигателей в подземных выработках угольных шахт, опасных по газу (метану) и угольной пыли в соответствии с требованиями “Правил безопасности в угольных шахтах” (ПБ 05-618-03) и в подземных выработках рудников, опасных по газу (метану) в соответствии с требованиями “Единых правил безопасности при разработке рудных, нерудных и россыпных месторождений полезных ископаемых подземным способом (ПБ 03-553-03).
Маркировка взрывозащиты – РВ 3В.
Вид климатического исполнения – У2,5; УХЛ2,5; Т2,5.
Конструктивное исполнение по способу монтажа – IM 1001, IМ 1009, IМ 4001, IМ 4009 (АИУБ 225М8) и IМ 1001 (АИУБ225М6).
Степень защиты от внешних воздействий – IP 54.
Двигатели предназначены для работы от сети переменного тока напряжением 380/660 В при частоте питающей сети 50 Гц.
Таблица 1
| Типоразмер двигателя | Мощность, кВтНоминальная | Частота вращения, об/мин | КПД, % |
Коэффициент мощности | Номинальный режим работы | Масса, кг | |||
|
АИУБ225М6 |
30 | 1000 | 87 | 0,86 |
1 час, 60%, 60 вкл./ч |
6,0 | 2,5 | 2,6 | 420 |
| 15 | 90 | 0,75 |
S1,S4 - 60%, 60 вкл./ч |
12,0 | 4,5 | 5,5 | |||
|
АИУБ200М8 |
30 | 750 | 88 | 0,80 |
1 час, 40%, 100 вкл./ч |
6,4 | 2,9 | 3,2 |
IМ 1001, IМ 4001, |
| 15 | 90 | 0,65 |
S4 - 60%, 60 вкл./ч |
11,0 | 5,8 | 6,8 |
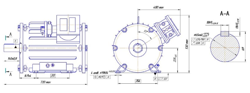
Габаритные, установочно-присоединительные размеры двигателей АИУБ225М6

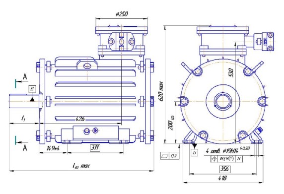
Габаритные, установочно-присоединительные размеры и масса двигателей АИУБ225М8
Конструктивное исполнение по способу монтажа IМ 1001, IМ 1009:


Конструктивное исполнение по способу монтажа IМ 4001, IМ 4009:

Таблица 2
Размеры указаны для конструктивных исполнений по способу монтажа IМ 1001, IМ 1009, IМ 4001, IМ 4009.
|
Типоразмер двигателя |
Рисунок |
l1, мм |
l30max, мм |
Масса, кг |
|
|
Монтажное исполнение |
IМ 1001, IМ 1009 |
IМ 4001, IМ 4009 |
|||
|
АИУБ225М8 |
1 IМ 1001, |
1400,8 |
720 |
425 |
445 |
|
2 IМ 1009, |
1050,7 |
685 |
|||
Купить АИУБ225 в регионе Ярославль.