Батареи DELTA серии HRL являются герметизированными, необслуживаемыми свинцово-кислотными аккумуляторами с системой рекомбинации газов (VRLA). Изготавливаются по технологии AGM (электролит, абсорбированный в стекловолоконном сепараторе).
Благодаря применению современных технологий при производстве, аккумуляторы демонстрируют высокую устойчивость при работе и высочайшее качество исполнения. Серия HRL относится к линейке DELTA UPS series, разработанной специально для использования в мощных системах бесперебойного питания ЦОД, систем связи и иных ответственных системах. Серия отличается повышенной надежностью и имеет срок службы до 12 лет.
Конструкция батареи
| Компонент |
Полож. пластина |
Отриц. пластина |
Корпус |
Крышка |
Клапан |
Клеммы |
Сепаратор |
Электролит |
| Материал |
Диоксид свинца |
Свинец |
ABS |
ABS |
Каучук |
Медь |
Стекловолокно |
Серная кислота |
Технические характеристики
Номинальное напряжение | 12 В |
Срок службы | 12 лет |
| Номинальная емкость (25°С) |
10 часовой разряд (18 А; 1.80 В/эл)
| 180 Ач |
5 часовой разряд (35.7 А; 1.75 В/эл) | 178.5 Ач |
1 часовой разряд (129 А; 1.65 В/эл) | 129 Ач |
|
Саморазряд | 3% емкости в месяц при 20°С |
Внутреннее сопротивление полностью заряженной батареи (25°С) | 4.2 мОм |
|
Особенности
- Технология AGM позволяет рекомбинировать до 99% выделяемого газа;
- Нет ограничений на воздушные перевозки;
- Соответствие требованиям UL, IEC, Гост Р;
- Легированные кальцием свинцовые пластины обеспечивают низкий саморазряд, высокую конструктивную прочность решетки;
- Необслуживаемые. Не требует долива воды;
- Высокая плотность энергии;
- Корпус аккумулятора выполнен из пластика ABS,
не поддерживающего горение.
|
Рабочий диапазон температур |
Разряд | -20÷60 |
Заряд | -10÷60 |
Хранение | -20÷60 |
Макс. разрядный ток (25°С) | 900 А (5с) |
| Циклический режим (2.3÷2.35 В/эл) |
Температурная компенсация | 30 мВ/°С |
| Буферный режим (2.23÷2.27 В/эл) |
Температурная компенсация | 20 мВ/°С |
Cферы применения
- Источники бесперебойного питания
- Источники резервного энергоснабжения
- Объекты связи
- Объекты энергетики
- Системы солнечной и ветроэнергетики
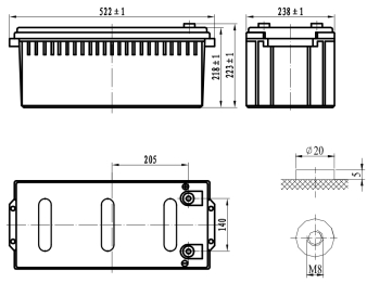
Корпус F | Тип клемм под болт М8 |
|
|
|
Габариты (±1мм)

|
Разряд постоянным током, А (при 25°С) |
| В/эл-т | 5 мин | 10 мин | 15 мин | 30 мин | 45 мин | 1 ч | 3 ч | 5 ч | 10 ч |
| 1.60V | 554 | 381 | 309 | 210 | 177 | 137 | 61.9 | 40.5 | 20.5 |
| 1.65V | 512 | 358 | 290 | 197 | 166 | 129 | 59 | 38.9 | 19.9 |
| 1.70V | 488 | 338 | 276 | 188 | 159 | 124 | 56.7 | 37.9 | 19.5 |
| 1.75V | 450 | 312 | 253 | 172 | 146 | 114 | 53.3 | 35.7 | 18.8 |
| 1.80V | 409 | 287 | 234 | 160 | 136 | 107 | 50.1 | 33.7 | 18 |
Разряд постоянной мощностью, Вт/эл-т (при 25°С)
|
| В/эл-т | 5 мин | 10 мин | 15 мин | 30 мин | 45 мин | 1 ч | 3 ч | 5 ч | 10 ч |
| 1.60V | 999 | 665 | 550 | 377 | 293 | 251 | 116 | 76.1 | 39.5 |
| 1.65V | 894 | 634 | 524 | 360 | 280 | 241 | 112 | 74.2 | 38.5 |
| 1.70V | 850 | 608 | 507 | 349 | 273 | 235 | 109 | 73.5 | 37.9 |
| 1.75V | 817 | 569 | 471 | 323 | 254 | 219 | 104 | 70.2 | 36.7 |
| 1.80V | 778 | 532 | 443 | 306 | 241 | 208 | 100 | 67.3 | 35.2 |
(Примечание) Приведенные выше данные по характеристикам являются средними значениями, полученными в результате проведения 3 контрольно-
тренировочных циклов, и не являются номинальными по умолчанию.
Продукция постоянно совершенствуется, поэтому фирма-изготовитель оставляет за собой право вносить изменения без предварительного уведомления.