Новости и акции компании
3-фазные асинхронные двигатели с короткозамкнутым ротором. Для привода лифтов
| Мощ- ность Rated output kW | Тип Type | Частота враще- ния Rated speed min-1 | КПД ffici- ency % | Коэф. Мощ- ности Power factor cos j | Ток при 380 В Current at 380 V A | I пуск IН IA/IN | Mпуск MA H x m | M макс в реж. двиг. MK Motor H x m | M макс в реж. ген. MK Generator H x m | Макс. число пусков в час Max. | Момент инерции ротора kgм2 | Максимальный момент инерции системы kgм2 | Шум Lpa Noice Lpa dBA | Масса Mass kg |
| 3.55 | 4AMH160SA4/16НЛБ | 1380 | 75 | 0.65 | 11.1 | 5.5 | 70-90 | 70-95 | - | 150 | 0.088 | 0.625 | 60 | 115 |
| 0.88 | 330 | 30 | 0.55 | 8.1 | 2.5 | ³ 50 | ³ 55 | 90-110 | ||||||
| 5.0 | 4AMH160SB4/16НЛБ | 1380 | 81.0 | 0.70 | 13,4 | 5.5 | 97-116 | 101-136 | - | 150 | 0.110 | 0.800 | 60 | 115 |
| 1.25 | 300 | 32.0 | 0.50 | 11,8 | 2.0 | 60-70 | ³ 65.0 | 110-130 | ||||||
| 3.0 | 4AMH160S6/18НЛБ | 965 | 77.0 | 0.64 | 9.2 | 5.3 | 78-94.5 | 86-107.8 | 86-115 | 120 | 0.125 | 0.750 | 55 | 115 |
| 1.0 | 300 | 40.0 | 0,36 | 14.0 | 2.0 | ³ 63.5 | ³ 63.5 | 86-115 | ||||||
| 3.55 | 4AMH180SA6/18НЛБ | 940 | 78.0 | 0.69 | 10,0 | 5,5 | 93-113 | 107.5-135 | - | 120 | 0.125 | 0.750 | 55 | 124 |
| 1.18 | 283 | - | - | 14.5 | 2.5 | ³ 73.5 | ³ 73.5 | 109.5-137.5 | ||||||
| 3.0 | АН160S6/18НЛБ | 965 | 78.0 | 0.64 | 9.1 | 5.3 | 78-94.5 | 86-107.8 | 86-115 | 120 | 0.125 | 0.750 | 55 | 115 |
| 1.0 | 300 | 40.0 | 0,36 | 10.6 | 2.0 | ³ 63.5 | ³ 63.5 | 86-115 | ||||||
| 3.55 | АН180SА6/18НЛБ | 940 | 80.0 | 0.69 | 9.8 | 5,5 | 93-113 | 107.5-135 | - | 120 | 0.125 | 0.750 | 55 | 124 |
| 1.18 | 280 | - | - | 14.6 | 2.5 | ³ 73.5 | ³ 73.5 | 109.5-137.5 | 150 | |||||
| 5.0 | АН180А6/24НЛБ | 940 | 83 | 0.76 | 12 | 6.0 | 120-140 | 140-175 | 150 | 0.21 | 1.26 | 55 | 159 | |
| 205 | 26 | 0.50 | 12.9 | 2.0 | ³ 85 | ³ 85 | 125-150 | |||||||
| 5.0 | АН180В6/24НЛБ | 940 | 85 | 0.75 | 12 | 6.0 | 120-140 | 140-175 | 180 | 0.25 | 1.3 | 55 | 172 | |
| 205 | 29 | 0.45 | 12.9 | 2.0 | ³ 85 | ³ 85 | 125-150 | |||||||
| 6.5 | АН200В6/24НЛБ АН200В6/24НЛБФ | 955 | 86,5 | 0,77 | 14,8 | 7,0 | 175-200 | 210-255 | - | 150 | 0,43 | 2,1 | 55 | 250 |
| 1.6 | 220 | 36,5 | 0,37 | 18,0 | 2,0 | ³ 150 | ³ 150 | 200-245 | 180 | 255 | ||||
| 9.0 | АН200МС6/24НЛБ | 960 | 88,0 | 0,73 | 21 | 7,0 | 260-320 | 300-380 | - | 180 | 0,76 | 2,1 | 55 | 305 |
| 2.25 | 220 | 43,0 | 0,35 | 22 | 2,0 | ³ 185 | ³ 185 | 260-340 | 180 |
| Тип Type | Степень защиты Enclosures IEC 60034-5 | Способ охлаждения Cooling systems | Способ монтажа Mounting аrrangements IEC 60034-7 | ||
| Корпус Frame | Kоробка выводов Terminal box | ГОСТ 20459 | IEC 60034-6 | ||
| 4AMH160……НЛБ 4AMH180……НЛБ | IP 10 | IP 20 | IC 01 | IC 01 | IM 3001, IM 3002 |
| АН160S6/18НЛБ АН180SА6/18НЛБ | IP10 | IP20 | IC01 | IC01 | IM 3002, IM 3009 |
| АН180….6/24 | IP 10 | IP 20 | IC 01 | IC 01 | IM 3001, IM 3002 |
| АН200В6/24НЛБ АН200В6/24НЛБФ | IP 10 | IP 20 | IC 01 | IC 01 | IM 3001; IM 3002 |
| АН200МС6/24НЛБ | IP 10 | IP 20 | IC 01 | IC 01 | IM 3001; IM 3002 |
Двигатели для привода лифтов
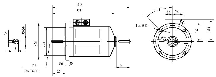
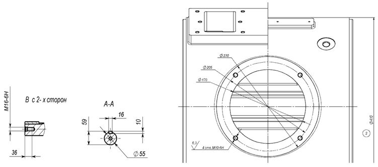
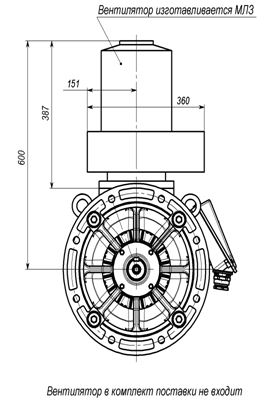
Габаритный чертеж
4АМН160, 4АМН180, АН160, АН180


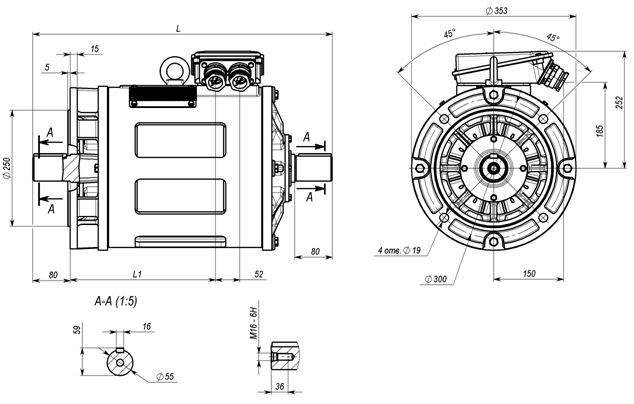
АН180_6/24

| Тип двигателя | Масса, кг | L | L1 | вкл/час |
| АН180А 6/24НЛБ | 159,0 | 612 | 281 | 150 |
| АН180В 6/24НЛБ | 172,0 | 642 | 311 | 180 |
Двигатели для привода лифтов
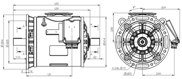
Габаритный чертеж
АН200В6/24НЛБ, АН200МС6/24НЛБ


АН200В6/24НЛБФ (остальное см. АН200В6/24НЛБ)
| Тип двигателя | FF | L30 | L33 | LD | d24 | d25 | d20 | n | Y | Масса, кг | Монтажное исполнение |
| АН200В6/24НЛБ | 300 | 635 | 717 | 374 | 350 | 250 | 300 | 4 | 40° | 250 | IM3001 IM3002 |
| АН200В6/24НЛБФ | 255 | ||||||||||
| АН200В6/24НЛБ | 400 | 635 | 717 | 374 | 450 | 350 | 400 | 8 | 22°30` | 250 | |
| АН200В6/24НЛБФ | 255 | ||||||||||
| АН200MC6/24НЛБ | 400 | 710 | 792 | 449 | 450 | 350 | 400 | 8 | 22°30` | 305 |

Купить Двигатели для привода лифтов в регионе Ярославль.