Технический паспорт
Характеристики Wilo-EMU FA 08.64E - 50 Гц - 1450 об/мин

Характеристики согласно ISO 9906, приложение A Указанные коэффициенты полезного действия соответствуют гидравлическому коэффициенту полезного действия.
| Агрегат | |
|---|---|
| Макс. напор Hmax | 24.6 M |
| Макс. расход Qmax | 160.0 м3/ч |
| Оптимальный напор Hopt | 16.7 M |
| Оптимальный расход Qopt | 85.7 м3/ч |
| Напорный патрубок | DN 80 |
| Фланцы (по EN 1092-2) PN | PN 10 |
| Стандарт подключения | EN 1092-2 |
| Максимальное рабочее давление pmax | 2.7 бар |
| Свободный сферический проход | 80 мм |
| Режим работы (в погруженном состоянии) | S1 |
| Режим работы (в непогруженном состоянии) | – |
| Макс. глубина погружения | 20 м |
| Степень защиты | IP 68 |
| Температура перекачиваемой жидкости T | +3 ... +40 В°C |
| Вес, прим. m | 136.0 кг |
| Данные мотора | |
| Подключение к сети | 3~400 V, 50 Hz |
| Номинальный ток IN | 21 A |
| Пусковой ток IA | 41 A |
| Номинальная мощность электродвигателя P2 | 10 кВт |
| Потребляемая мощность P1 | 12.2 кВт |
| Коэффициент мощности cos φ | 0.85 |
| Тип пуска | «Звезда/треугольник» |
| Номинальная частота вращения n | 1,417 об/мин |
| Число полюсов | 4 |
| Класс изоляции | F |
| Макс. частота включений | 15 1/ч |
| Допустимый перепад напряжения | В±10 % |
| Кабель | |
| Длина соединительного кабеля | 10 м |
| Тип кабеля | H07RN-F |
| сечение кабеля | 10G1,5 мм2 |
| Тип соединения кабеля | Неразъемный |
| Тип штекера | - |
| Оснащение/функции | |
| Поплавковый выключатель | - |
| Защита электродвигателя | WSK |
| Взрывозащита | ATEX |
| материал | |
| Статическое уплотнение | NBR |
| Рабочее колесо | EN-GJS-500-7 |
| Уплотнение со стороны электродвигателя | NBR |
| Скользящее торцевое уплотнение | SiC/SiC |
| Корпус электродвигателя | EN-GJL-250 |
| Корпус насоса | EN-GJL-250 |
| Вал насоса | 1.4021 [AISI420] |
| Данные для заказа | |
| Изделие | Wilo |
| Арт.-№ | 6047626 |
| Номер EAN | 4044966500163 |
| Ценовая группа | PG8 |
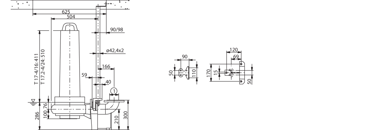
Размеры и габаритные чертежи
Габаритный чертеж
Wilo-EMU FA 08.64E – стационарная установка в погруженном состоянии

1 = DN80 PN10 / ANSI B16.1, Class 125, Size 3; 2 = DN80 PN10; 3 = DN100 PN10 / ANSI B16.1, Class 125, Size 4; 4 = DN100 PN10
Габаритный чертеж
Wilo-EMU FA 08.64E – переносная установка в погруженном состоянии

1 = DN80 PN10 / ANSI B16.1, Class 125, Size 3; 2 = DN80 PN10; 3 = DN100 PN10 / ANSI B16.1, Class 125, Size 4; 4 = DN100 PN10
Характеристики
Характеристики Wilo-EMU FA 08.64E - 50 Гц - 1450 об/мин

Характеристики согласно ISO 9906, приложение A Указанные коэффициенты полезного действия соответствуют гидравлическому коэффициенту полезного действия.
Данные для заказа
| Данные для заказа | |
|---|---|
| Тип насоса | FA 08.64-258E + T 17.2-4/24HEx |
| Арт.-№ | 6047626 |
| Номер EAN | 4044966500163 |
| Цвет | зеленый |
| Минимальное количество для заказа | 1 |
| Единица минимального кол-ва для заказа | PCE |
| Вес (нетто) kg | 136 |
| Длина (нетто) mm | 407 |
| Ширина (нетто) mm | 445 |
| Высота (нетто) mm | 758 |
| Вес (брутто) kg | 151 |
| Длина (брутто) mm | 800 |
| Ширина (брутто) mm | 600 |
| Высота (брутто) mm | 870 |
| Вид упаковки | Одноразовый поддон |
| Свойства упаковки | Транспортировочная упаковка |
| Штук на поддон | 1 |
| Количество на один слой | 1 |
Описание изделия
Полный текст
Полностью погружной дренажный насос для сточных вод для вертикальной установки в погруженном состоянии, для перекачивания сточных вод с фекалиями и твердыми материалами, а также для коммунальных и промышленных сточных вод. Агрегат полностью выполнен из серого чугуна, уплотнение со стороны насоса выполнено из карбида кремния (SiC), а уплотнение со стороны электродвигателя – из нитрильного каучука (NBR) (модель H) или карбида кремния (SiC) (модель G). Напорный патрубок с горизонтальным патрубком напорного слива и фланцевым соединением. Самоохлаждающийся электродвигатель (F-электродвигатель) или электродвигатель насоса с сухим ротором (T-электродвигатель) в исполнении для трехфазного тока для прямого или звездообразного соединения треугольником с защитой электродвигателя от перегрева (T-электродвигатель, в зависимости от типа) и уплотнительной камерой. Уплотнительную камеру также можно контролировать с помощью внешнего электрода для камеры уплотнений. Агрегаты с электродвигателем T 20.1 дополнительно оснащены камерой утечек, которая контролируется поплавковым выключателем. Водостойкий (только для T-электродвигателя) соединительный кабель длиной 10 м со свободным концом. Все агрегаты с электродвигателем насоса с сухим ротором серийно обладают сертификатом взрывозащиты.
| Агрегат | |
|---|---|
| Напорный патрубок | DN 80 |
| Фланцы (по EN 1092-2) PN | PN 10 |
| Стандарт подключения | EN 1092-2 |
| Максимальное рабочее давление pmax | 2.7 бар |
| Свободный сферический проход | 80 мм |
| Режим работы (в погруженном состоянии) | S1 |
| Режим работы (в непогруженном состоянии) | – |
| Макс. глубина погружения | 20 м |
| Степень защиты | IP 68 |
| Температура перекачиваемой жидкости T | +3 ... +40 В°C |
| Вес, прим. m | 136.0 кг |
| Данные мотора | |
| Подключение к сети | 3~400 V, 50 Hz |
| Номинальный ток IN | 21 A |
| Пусковой ток IA | 41 A |
| Номинальная мощность электродвигателя P2 | 10 кВт |
| Потребляемая мощность P1 | 12.2 кВт |
| Коэффициент мощности cos φ | 0.85 |
| Тип пуска | «Звезда/треугольник» |
| Номинальная частота вращения n | 1,417 об/мин |
| Число полюсов | 4 |
| Класс изоляции | F |
| Макс. частота включений | 15 1/ч |
| Допустимый перепад напряжения | В±10 % |
| Кабель | |
| Длина соединительного кабеля | 10 м |
| Тип кабеля | H07RN-F |
| сечение кабеля | 10G1,5 мм2 |
| Тип соединения кабеля | Неразъемный |
| Тип штекера | - |
| материал | |
| Статическое уплотнение | NBR |
| Рабочее колесо | EN-GJS-500-7 |
| Уплотнение со стороны электродвигателя | NBR |
| Скользящее торцевое уплотнение | SiC/SiC |
| Корпус электродвигателя | EN-GJL-250 |
| Корпус насоса | EN-GJL-250 |
| Вал насоса | 1.4021 [AISI420] |
| Оснащение/функции | |
| Поплавковый выключатель | - |
| Контроль протечек в камере электродвигателя | - |
| Контроль протечек в камере уплотнений | - |
| Контроль протечек в контрольной камере | - |
| Защита электродвигателя | WSK |
| Взрывозащита | ATEX |
| Данные для заказа | |
| Арт.-№ | 6047626 |
| Номер EAN | 4044966500163 |
| Ценовая группа | PG8 |
| Изделие | Wilo |
Купить FA 08.64-258E + T 17.2-4/24HEx в регионе Ярославль.