Новости и акции компании
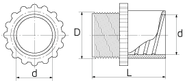
Муфты вводные для металлорукава
Тип : МВП


| Наименование | d(мм) | D(мм) | L(мм) | Ввод (дюйм) |
|---|---|---|---|---|
| МВП 6 | 9.7 | 12.5 | 25.0 | 1/4 |
| МВП 8 | 11.6 | 12.5 | 25.0 | 1/4 |
| МВП 10 | 13.9 | 20.5 | 32.0 | 1/2 |
| МВП 12 | 15.9 | 20.5 | 32.0 | 1/2 |
| МВП 15 | 18.9 | 20.5 | 35.0 | 1/2 |
| МВП 20 | 24.0 | 26.0 | 38.0 | 3/4 |
| МВП 25 | 30.8 | 32.0 | 45.0 | 1 |
| МВП 32 | 38.0 | 42.0 | 48.0 | 1 1/4 |
| МВП 38 | 44.0 | 48.0 | 56.0 | 1 1/2 |
| МВП 50 | 58.7 | 60.0 | 72.0 | 2 |
Купить Муфты вводные для металлорукава: МВП в регионе Ярославль.