ОБЩИЕ СВЕДЕНИЯ
ПРИМЕНЕНИЕ
Наружные вибраторы предназначены для возбуждения колебаний с частотой, которая дана частотой сети и числом полюсов встроенного двигателя. Их можно использовать напр. для :
Пара автоматически синхронизирующихся вибраторов, совершающих движение в противоположном направлении, с параллельными осями в качестве возбудителей прямолинейных колебаний для:
Пара автоматически синхронизирующихся вибраторов со скрешивающимися осями в качестве возбудителя винтовых колебаний для вертикальных вибрационных конвееров и различных технологических устройств, использующих эти колебания.
Настоящие TУ договоренности не исключают и другие специальные возможности использования вибраторов.
ОПИСАНИЕ
Наружный вибратор - это специальный трехфазный асинхронный электродвигатель с короткозамкнутым ротором, на вале которого прикреплены дисбалансы, вызывающие при ротации центробежную силу. Cтатор встроенного электродвигателя запрессован в мощный кожух. Его обмотка от сотрясений защищена импрегнацией. Для прикрепления вибратора служат масивные опоры с отверствиями для закрепляющих болтов. Вал уложен в двух специальных, приспособленных для динамической нагрузки, подшипниках качения, которые закреплены в кожухе при помощи двух подшипниковых корпусов. Две пары дисбалансов, расположенные на концах вала, зажаты с помощью болтов. Положение внешних дисбалансов определено пружинами. Внутренние дисбалансы можно после ослабления болтов плавно поворачивать по отношению к внешним и этим изменять момент дисбалансов и величину результирующей центробежной силы от 0 до максимума по шкале, находящейся на внейших дисбалансах. Дисбалансы с обоих сторон расположены под колпаками, изготовленными из аллюминиевого сплава. Колпаки дисбалансов и крышка клеммника уплотнены О-образными кольцами. Таким же способом уплотнено соединение подшипниковых корпусов с чехлом. Клеммная колодка с винтовыми клеммами прикреплена в колпаке, который является частью отливки кожуха. К колодке присоединены выводы электродвигателья, которые взаимно соединены в соответствии с напряжением сети. Проход проводов через кожух и клеммная колодка залиты силиконовым каучуком. Оставшееся пространство заполняет, после присоединения подводящего кабеля, легко вынимательная силиконовая замазка. Кабель в месте прохода клеммником закреплен и защищен пластиковым проходным изолятором.
По конструкции ряд ”AА” отличается от ряда “AО“ тем, что у ряда “AА“ присоединяющие опоры отлиты совместно с подшипниковыми корпусами.
Вибраторы могут быть оснащены термисторoм и нагревательной катушкой (вариант ....-TO) Термистор это функция безопасности, которая защищает обмотки вибратора от перегрева. Подключение в кабинетe должно быть сделано таким образом, чтобы двигатель вибраторa при достижении повышенной температуры обмотки 120°C (термистор включает) был отключен/отключилься .
Нагревательный элемент используется в операциях, в которой машина работает при температурах окружающей среды ниже -20 ° C. Для этих случаев необходимо заказать вибратор в специальном варианте, в котором обмотка вибраторa нагревается в течении отключения вибраторов. Участие нагревательной спирали должнo решаться таким образом, чтобы удовлетворить условия работы вибратора (глава 4. МОНТАЖ, работа, обслуживание), и так чтобы подогрев был выключен во время работы вибратора.
ЗАЩИТА И БЕЗОПАСТНОСТЬ ТРУДА
Перед монтажом наружный вибратор на возбуждаемое оборудование необходимо проверить, если напряжение и частота сети отвечают электродвигателям и если подключение вибраторов произведено в соответствии с их табличками.
Уход за вибраторами, монтаж и демонтаж вибраторов, изменения в настройке момента дисбалансов и любой ремонт должны проводиться лишь в состоянии покоя и после отключения вибраторов от сети.
Защита от контактного напряжения обеспечивается занулением или же заземлением.
Вибратор не должен быть присоединен к сети без положенной защиты.
Монтаж, ремонт и уход за наружных вибраторов может проводить только лицо в соотв. с § 5 и последующими § положения ЧУБП и ЧБУ № 50/1978 Св. законов.
У всех устройств, возбуждаемых наружными вибраторами нужно обратить внимание на то, чтобы они отвечали инструкциям по охране здоровья перед неблагоприятным влиянием шума и инструкциям по охране здоровья перед неблагоприятным влиянием механических колебаний и вибраций (Гигиенические нормы том 36 и 37 от 1977).
Вибратор не должен быть включен, если он не смонтирован с устройством, для которого он предназначен. Вибратор также не должен быть включен, если у него сняты колпаки дисбалансов.
МОНТАЖ, РАБОТА, ОБСЛУЖИВАНИЕ
Вибратор необходимо прикрепить к ровной обработанной подставке, с которой удалены масла, краска и все загрязнения. Одновременно необходимо очистить от масла и загрязнений прилегающие поверхности.Болтовые соединения необходимо подтяиуть крутящим моментом, отвечающим их размеру и использованному материалу.
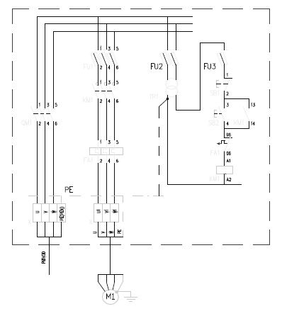
Перед подключением вибратора в сеть необходимо проверить, если напряжение и частота сети отвечают данным на табличке вибратора. Электропроводка вибраторов должна быть проведена так, чтобы не произошла ее перегрузка и повреждение встроенного електродвигателя. Вибраторы поэтому необходимо подключить через защитнное максимально на 10% выше величины номинального тока вибратора. Способ подключения одного или пары вибраторов приведен в приложении.
Перед пуском необходимо снова проверить:
При выключении вибратора защитным реле необходимо без промедления определить если вибратор во всех фазах потребляет максимально номинальный ток в сответствии с табличкой. Если потребляет ток выше, чем номинальный или разницы в отдельных фазах превышают 10% отклонения, то необходимо без промедления определить причину перегрузки, которая может быть вызвана:
Наладка величины центробежной силы (момента дисбалансов Мн) проводится в состоянии покоя, после отключения вибратора от сети. После снятия колпаков дисбалансов и ослабления болтов регулируемых (внутренних) дисбалансов их возможно повернуть по отношению к внешним дисбалансам. После этого необходимо болты стягивающих соединений снова подтянуть, указанным крутящим момеитом. На регулируемых дисбалансах краской обозначено измерительное ребро. Стабильные дисбалансы оснащены шкалой с указанием величины центробежной силы или рабочего момента Мн в процентах. При стандартном использовании вибраторов необходимо обращать внимание на то, чтобы настройка на обоих концах вала вибратора была одинакова.
При работе вибраторы не должны подвергаться неблагоприятным внешним воздействиям, т.е. температуре выше 40оЦ, лучам яркого летнего солнца или другим источникам теплового излучения и переносу тепла от транспортируемого материала. Максимальное превышение температуры встроенного электродвигателя, измеряемое на поверхности кожуха, не должно превышать 65о Ц, т.е. результирующая температура не должна превышать 105о Ц (сам встроенный электродвигатель изготовлен в температурном классе ф). Максимальное превышение температуры подшипников, измеряемое на подшипниковых корпусах, составляет 50о Ц (т.е. результирующая температура здесь не должна превышать 90 о Ц). Далее вибраторы не должны работать в среде насыщенной водяными парами, маслянными и особенно едкими испарениями или же в среде, которая не отвечает их покрытию и антикоррозионной защите. Вибраторы расчитаны на постоянную нагрузку и настройку дисбалансов на 100%. В случае их использования в цикличном режиме производитель допускает максимально 30 разгонов в час. Более высокую частоту разгонов (навышение до 50%) можно достигнуть изменениями, договоренными с производителем. Исполнение кожуха ИП 65 в соотв. с ČSN 34 0110.
Электропроводка подключения вибраторов к сети должна отвечать следующим основным стандартам и требованиям:
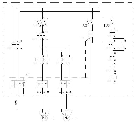
Основная схема включения одного или пары автосинхронных вибраторов указана в приложении. Принципально пара aвтосинхронных вибраторов не должна быть включена в сеть по отдельности, так как при выпадении одного из вибраторов угрожает перегрузка и уничтожение обмотки электродвигателя второго вибратора.
При использовании частного преобразователя может при повышении частоты или же оборотов выше номинальной величины произойти авария вибродвигателя.
Производитель рекомендует приводной кабель 7Бx1,5 ЦГТГ для вибраторов AО1, AO2, AO3, AO3 и AA3 ; для остальных 4Бx2,5 ЦГТГ.
УХОД
При уходе за вибраторами необходимо соблюдать следующие принцици:
Все другие действия и возможный ремонт (замен подшипников, включая наполнение смазкой, ремонт обмотки электродвигателя итп.) проводить, а то и в случаях не подлежащих гарантии. Какой-либо ремонт и вмешательство во внутреннее расположение вибраторов со стороны пользователя не рекомендуется.
ТЕХНИЧЕСКИЕ ТРЕБОВАНИЯ
Технические данные указаны в таблицах - см. приложения.
МАТЕРИАЛ
Материал, использованный для производства, должен своими свойствами отвечать действительной производственной локументации. Применение другого материала должно быть подтверждено актом об изменении.
ИСПОЛНЕНИЕ
Все части должны быть изготовлены по производственным чертежам. Не органиченные допуском размеры соответствуют ISO 2768.1 и ISO 2768.2. Вибраторы сконструированы для непрерывного режима работы на высоте до 1000 м над уровнем моряпри соблюдении лимитных параметров, указанных иастоящими техническими условиями. Они поставляются в закрытом исполнении с естественным охлаждением, защищенные от пыли и брызгающей воды. Вибраторы не должны быть использованы во взрывоопасной среде.
Присоединяющие болтовые соединения должны быть защищены на поверхности (оцинкованием), исполнение болтов и гаек должно быть точным, матернал болтов 8Г или 10К.
Обмотка встроенных электродвигателей и подключение выводов статора на клеммную колодку обеспечены против сотрясений.
ОТДЕЛКА ПОВЕРХНОСТИ
Изделие покрыто грунтовой и накрывочной покраской в соответствии с исполнительной документацией или же в соответствии с с особыми требованиями получателя.
ОБОЗНАЧЕНИЕ
Вибратор должен быть оснащен табличкой со следующими данными:
ИСПИТАНИЯ
Проверку качества отдельных частей изделия проводит контрольный орган производителя по утвержденной документации, действующим техническим стандартам и техническим условиям. Контроль отдельных частей изделия проводится в процессе производства.
Испытания готовых изделий проводятся в соответствии с “Инструкцией о испытании вибродвигателей”. После проведения испитаний выдается сертификат о качестве и комплектности. Вибратор обозначается отметкой контрольного органа. Инструкция о испытаниях вибродвигателей является внутренним документом производителя.
ОФОРМЛЕНИЕ ЗАКАЗА
Заказы на наружные вибраторы должны содержать:
ПРОВЕРКА ВЫПОЛНЕНИЯ ЗАКАЗА, ПОСТАВКА И ГАРАНТИЯ
Проверка выполнения заказа на заводе-изготовителе проводится при участии представителя покупателя только на основании требования, включенного в контракт о купле-продаже. Дату проведения проверки сообщит поставщик покупателю за 10 дней до проверки. Если представитель не явится, то работники выходного контроля сами проведут испытания и оформят сертификат качества и комплектности. Производитель обязан при проверке предоставить получателю все необходимые данные. Проверяются все изделия в соответствии с пунктом “ИСПЫТАНИЯ” и подпунктами “ИСПОЛНЕНИЕ И ОТДЕЛКА ПОВЕРХНОСТИ” и “ОБОЗНАЧЕНИЕ”. Требует-ли покупатель другие испытания, то они осуществляются за счет покупателя, на основании особого заказа. Эти испытания должны быть заранее оговорены в контракте. Если изделие не удовлетворяет условиям приемочной проверки, то отгрузка приостанавливается. Повторная приемка проводится за счет поставщика, который обязан снова пригласить покупателя. При приемке поставщик и покупатель обязаны соблюдать постановления торгового кодекса.
Вибраторы поставляются со схемой включения 3x400в (50гз).
При экспедиции от изготовителя к покупателю дисбалансы в целях безопасности установлены на “0”, за исключением типов AО12, AO14 и AO16, которые установлены на 100%. После монтажа вибраторов на оборудование и перед их включением в электросеть необходимо провести наладку - см. п. 3.
Вместе с каждым вибратором поставляются:
ГАРАНТИЯ
Изготовитель отвечает за конструкционное решение, работу, использованный материал и исполнение поставляемых вибраторов в течение шести месяцев со дня продажи. За подшипники качения поставщик несет гарантию только в течение предполагаемого срока службы (см. приложение №1), но максимально в течение гарантийного срока, даваемого на вибратор.
Изготовитель обязан, если дефект признает за подлежащий гарантии, устранить за свой счет на вибраторе все дефекты, причиной которых было неисправное конструкционное решение, неисправное исполнение или дефектный материал, а то при условии, что покупатель после обнаружения дефекта без лишних промедлений предьявит свои гарантийные права, не позднее последнего дня гарантийного срока.
Покупатель не имеет права на проведение гарантийного ремонта в следующих случаях:
Гарантийный и после гарантийный ремонт обеспечивает изготовитель.
УПАКОВКА, ТРАНСПОРТИРОВКА И СКЛАДИРОВАНИЕ
Вибраторы поставляются всегда не упакованные. В случае, если покупатель требует упаковку, то способ и вид упаковки должны быть определены в договоре о купле-продаже. Транспортировка вибраторов на место назначения проводится иормальными закрытыми транспортными средствами. При транспортировке вибраторы должны быть фиксированы (закреплены) так, чтобы не произошло их повреждение. Вибраторы необходимо складировать в помещениях, которые защищены от неблагопиятных климатических влияний, чрезмерной влажности, испарений, едких веществ и плесней.
Схема включения одного вибратора

Схема включения пары вибраторов

Круговые колебания при использовании одного вибратора

Направленные-прямолинейные колебания при использовании двух вибраторов

Подключение клемника: Y - соединение звездой

Δ - соединение делтъа

Подключение клемника с термисторoм и нагревательной катушкой:
(Mощность подогревa вибратора 50 Bт /230B) Y - соединение звездой

Установка дисбалансов на макс. 100%

Установка дисбалансов на мин. 0%



Рекомендованные затяжные моменты винтов
| резьба | затяжные моменты [Н.м] |
| M6 | 9,7 |
| M8 | 24,5 |
| M10 | 48,4 |
| M12 | 84 |
| M16 | 209 |
| M20 | 406 |
| M24 | 699 |
| M27 | 1 038 |
| M30 | 1 408 |
| M33 | 1 914 |
| M36 | 2 456 |
Купить Общие данные и характеристики в регионе Ярославль.