Москва: +7 (495)
6696898
Санкт-Петербург: +7 (812)
3097686
Ярославль: +7 (4852)
644647
SKINDICHT MR-M 6-ти гранные
Производитель — Lappkabel
Оценка (средняя 4)
Технические характеристики По запросам Уплотнительное кольцо из Viton® -20°C до +200°C Материал Корпус: латунь, покрытая никелем Уплотнительное кольцо: NBR (бутадиеновая резина) Tемпературный диапазон -30°C до + 100°C Конструкция...
Запросить консультацию
Заказать продукцию
Характеристики
Характеристики — SKINDICHT MR-M 6-ти гранные

Технические характеристики

По запросам
Уплотнительное кольцо из Viton® -20°C до +200°C
Материал
Корпус: латунь, покрытая никелем Уплотнительное кольцо: NBR (бутадиеновая резина)
Tемпературный диапазон
-30°C до + 100°C

Конструкция

  • Метрические резьбовые соединения по EN 50262
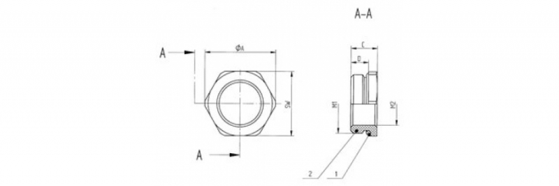
Артикул Наименование Резьба наружная M1 Резьба внутренняя M2 SW, мм ØA, мм C, мм D, мм нар. Ø, мм
52101965 SKINDICHT MR-M 6kt. 16X1,5/12X1,5+O-RING 16 x 1,5 12 x 1,5 18 20,2 8,5 5,5
52101966 SKINDICHT MR-M 6kt. 20X1,5/16X1,5+O-RING 20 x 1,5 16 x 1,5 22 24,4 9 6
52101967 SKINDICHT MR-M 6kt. 25X1,5/16X1,5+O-RING 25 x 1,5 16 x 1,5 28 31,2 10 6,5
52101968 SKINDICHT MR-M 6kt. 25X1,5/20X1,5+O-RING 25 x 1,5 20 x 1,5 28 31,2 10 6,5
52101969 SKINDICHT MR-M 6kt. 32X1,5/16X1,5+O-RING 32 x 1,5 16 x 1,5 36 40 11,5 8
52101972 SKINDICHT MR-M 6kt. 32X1,5/20X1,5+O-RING 32 x 1,5 20 x 1,5 36 40 11,5 8
52101973 SKINDICHT MR-M 6kt. 32X1,5/25X1,5+O-RING 32 x 1,5 25 x 1,5 36 40 11,5 8
52101974 SKINDICHT MR-M 6kt. 40X1,5/25X1,5+O-RING 40 x 1,5 25 x 1,5 43 47,5 12,5 8,5
52101975 SKINDICHT MR-M 6kt. 40X1,5/32X1,5+O-RING 40 x 1,5 32 x 1,5 43 47,5 12,5 8,5
52101976 SKINDICHT MR-M 6kt. 50X1,5/40X1,5+O-RING 50 x 1,5 40 x 1,5 54 58 14 10
52101977 SKINDICHT MR-M 6kt. 63X1,5/50X1,5+O-RING 63 x 1,5 50 x 1,5 67 74 14 9,5
52101979 SKINDICHT MR-M 75X1,5/63X1,5 6kt. 75 x 1,5 63 x 1,5 80 90 17 11
52006572 SKINDICHT MR-M 80X2/63X1,5 hexagonal 80 x 2 63 x 1,5 85 23 15 93,5
52006575 SKINDICHT MR-M 72X2/63X1,5 72 x 2 63 x 1,5 19 12 78 12 78
52006579 SKINDICHT MR-M 80X2 / M 75X1,5 MS blank 80 x 2 75 x 1,5 19 12 86

Купить SKINDICHT MR-M 6-ти гранные в регионе Ярославль.

Новости и акции компании
© 2000-2026 Все права на разработку принадлежат компании Глобал Энерго Групп. Копирование допускается только с разрешения правообладателей сайта. Политика конфиденциальности. Наш интернет ресурс носит исключительно информационный характер и не является публичной офертой, определяемой положениями Статьи 437 (2) ГК РФ. Для получения точной информации о наличии и стоимости услуг, пожалуйста, обращайтесь к консультантам и менеджерам нашей компании.. Политика конфиденциальности
Москва: +7 (495)
6696898
Санкт-Петербург: +7 (812)
3097686
Ярославль: +7 (4852)
644647