Технический паспорт
Характеристики Wilo-Drain TP 80 - 50 Гц - Число полюсов: 4

Характеристики согласно ISO 9906, приложение A
| Агрегат | |
|---|---|
| Макс. напор Hmax | 17.0 M |
| Макс. расход Qmax | 95.0 м3/ч |
| Оптимальный напор Hopt | 11.0 M |
| Оптимальный расход Qopt | 91.0 м3/ч |
| Напорный патрубок | DN 80 |
| Фланцы (по EN 1092-2) PN | PN 10 |
| Максимальное рабочее давление pmax | 1.9 бар |
| Свободный сферический проход | 80 мм |
| Режим работы (в погруженном состоянии) | S1 |
| Режим работы (в непогруженном состоянии) | S1 |
| Макс. глубина погружения | 20 м |
| Степень защиты | IP 68 |
| Температура перекачиваемой жидкости T | +3 ... +40 В°C |
| Вес, прим. m | 42.0 кг |
| Данные мотора | |
| Подключение к сети | 3~400 V, 50 Hz |
| Номинальный ток IN | 9.5 A |
| Номинальная мощность электродвигателя P2 | 4 кВт |
| Потребляемая мощность P1 | 5.1 кВт |
| Тип пуска | Прямой |
| Номинальная частота вращения n | 1,450 об/мин |
| Число полюсов | 4 |
| Класс изоляции | F |
| Рекомендованная частота включений | 20 1/ч |
| Макс. частота включений | 60 1/ч |
| Допустимый перепад напряжения | В±10 % |
| Кабель | |
| Длина соединительного кабеля | 10 м |
| Тип кабеля | NSSH&Оuml;U |
| сечение кабеля | 7x1,5 мм2 |
| Тип соединения кабеля | Разъемный |
| Тип штекера | - |
| Оснащение/функции | |
| Поплавковый выключатель | - |
| Защита электродвигателя | WSK |
| Взрывозащита | ATEX |
| материал | |
| Статическое уплотнение | NBR |
| Рабочее колесо | PUR |
| Уплотнение со стороны электродвигателя | C/Cr |
| Скользящее торцевое уплотнение | SiC/SiC |
| Корпус электродвигателя | 1.4404 |
| Корпус насоса | PUR |
| Вал насоса | 1.4404 [AISI316L] |
| Данные для заказа | |
| Изделие | Wilo |
| Арт.-№ | 6043983 |
| Номер EAN | 4044966460610 |
| Ценовая группа | PG8 |
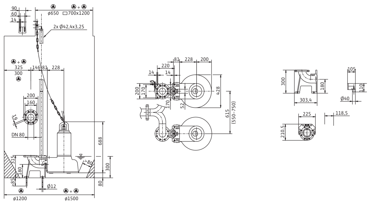
Размеры и габаритные чертежи
Габаритный чертеж
Wilo-Drain TP 80 - стационарная установка в погруженном состоянии

Габаритный чертеж
Wilo-Drain TP 80 - мобильная установка в погруженном состоянии

Габаритный чертеж
Wilo-Drain TP 80 - стационарная установка в непогруженном состоянии

Характеристики
Характеристики Wilo-Drain TP 80 - 50 Гц - Число полюсов: 4

Характеристики согласно ISO 9906, приложение A
Данные для заказа
| Данные для заказа | |
|---|---|
| Тип насоса | TP 80E230/40 |
| Арт.-№ | 6043983 |
| Номер EAN | 4044966460610 |
| Цвет | серебристый/черный |
| Минимальное количество для заказа | 1 |
| Единица минимального кол-ва для заказа | PCE |
| Вес (нетто) kg | 42 |
| Длина (нетто) mm | 428 |
| Ширина (нетто) mm | 428 |
| Высота (нетто) mm | 688 |
| Вес (брутто) kg | 51 |
| Длина (брутто) mm | 790 |
| Ширина (брутто) mm | 600 |
| Высота (брутто) mm | 808 |
| Вид упаковки | Одноразовый поддон |
| Свойства упаковки | Транспортировочная упаковка |
| Штук на поддон | 1 |
| Количество на один слой | 1 |
Описание изделия
Полный текст
Полностью погружной дренажный насос для отвода сточных вод для установки в погруженном и непогруженном состоянии, служащий для перекачивания сточных вод с фекалиями. Гидравлический корпус и рабочее колесо из синтетического материала, корпус электродвигателя из нержавеющей стали. Напорный патрубок с горизонтальным выбросом и фланцевым соединением. Электродвигатель с сухим ротором и охлаждающим кожухом в исполнении для трехфазного тока для прямого или звездообразного соединения треугольником с защитой электродвигателя от перегрева, контролем герметичности и сертификатом взрывозащиты. Водостойкий соединительный кабель длиной 10 м со свободным концом.
| Агрегат | |
|---|---|
| Напорный патрубок | DN 80 |
| Фланцы (по EN 1092-2) PN | PN 10 |
| Максимальное рабочее давление pmax | 1.9 бар |
| Свободный сферический проход | 80 мм |
| Режим работы (в погруженном состоянии) | S1 |
| Режим работы (в непогруженном состоянии) | S1 |
| Макс. глубина погружения | 20 м |
| Степень защиты | IP 68 |
| Температура перекачиваемой жидкости T | +3 ... +40 В°C |
| Вес, прим. m | 42.0 кг |
| Данные мотора | |
| Подключение к сети | 3~400 V, 50 Hz |
| Номинальный ток IN | 9.5 A |
| Номинальная мощность электродвигателя P2 | 4 кВт |
| Потребляемая мощность P1 | 5.1 кВт |
| Тип пуска | Прямой |
| Номинальная частота вращения n | 1,450 об/мин |
| Число полюсов | 4 |
| Класс изоляции | F |
| Макс. частота включений | 60 1/ч |
| Допустимый перепад напряжения | В±10 % |
| Кабель | |
| Длина соединительного кабеля | 10 м |
| Тип кабеля | NSSH&Оuml;U |
| сечение кабеля | 7x1,5 мм2 |
| Тип соединения кабеля | Разъемный |
| Тип штекера | - |
| материал | |
| Статическое уплотнение | NBR |
| Рабочее колесо | PUR |
| Уплотнение со стороны электродвигателя | C/Cr |
| Скользящее торцевое уплотнение | SiC/SiC |
| Корпус электродвигателя | 1.4404 |
| Корпус насоса | PUR |
| Вал насоса | 1.4404 [AISI316L] |
| Оснащение/функции | |
| Поплавковый выключатель | - |
| Контроль протечек в камере электродвигателя | • |
| Контроль протечек в камере уплотнений | - |
| Контроль протечек в контрольной камере | - |
| Защита электродвигателя | WSK |
| Взрывозащита | ATEX |
| Данные для заказа | |
| Арт.-№ | 6043983 |
| Номер EAN | 4044966460610 |
| Ценовая группа | PG8 |
| Изделие | Wilo |
Купить TP 80E230/40 в регионе Ярославль.